HVAC的概念包括采暖(Heating)、通風(Ventilation)、空調(Air Condition),因此與中央空調相比具有更廣義的概念。在HVAC中的節能觀念并不是以降低環境或抑制能量需求來換取節能,而是通過綜合資源規劃(IRP)方法和能源需求側管理(DSM)技術的應用,提高建筑的能量效率,用有限的資源和最小的能量消費代價獲得最大的社會、經濟效率,滿足日益增長的環境需求。奇電變頻器QD6600在機場、廣電大樓、醫院、地鐵等高檔場合的采暖通風空調系統上得到廣泛應用。
QD6600 是奇電變頻器QIROD家族中的一員,它不僅繼承了QD200 的特點,而且具有自身的優點。QD6600 是壁掛式變頻器,功率范圍0.75KW-500KW,進線電壓380V-480V的電壓等級,控制方式為無速度傳感器的矢量控制。
QD6600具有豐富的客戶端子,包括8路數字量輸入(LI1-LI8),2路模擬輸入(AI),2路繼電器輸出(TA),2路模擬輸出(AO),5V 輔助電源用于模擬給定輸入,24V輔助電源用于數字量輸入,所有的LI/TA,AI/AO 都可以自由編程定義功能。
MODBUS 接口是QD6600 的標準配置,無需選件。通過MODBUS可以將QD6600 連接到更高層的自動化系統。
良好的低頻轉矩性能(開環0.5Hz時1.5倍力矩輸出),低頻大力矩;;
具有轉矩響應速度快的優點,在負載波動時,電流波動小;
具有良好的過載能力及環境適應能力,運行可靠性高;
超強電網適應性,抗電網波動能力達到±15%,保障輸出電壓、電流、速度 的穩定性;
15kW及以上標配直流電抗器,在諧波治理和穩定性上表現出色,幫客戶節省硬件成本;
優異電流限幅特性,過載能力強,可有效降低變頻過載、過流保護,最大限度保障生產連續性;
環境適應能力強,完全獨立風道設計可大幅提高抗擊油污、粉塵及濕熱等惡劣環境。
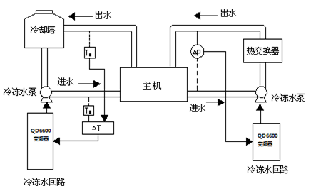
在本系統中,通過兩臺QD6600 110KW變頻器驅動兩臺110KW冷凍水泵, 同時還有若干臺QD6600變頻器驅動風機(包括室內風機和冷卻塔風機)。在冷凍水循環系統中,將進水回路的信號1(溫度信號或壓力信號)和出水回路的信號2(溫度信號或壓力信號)送至模擬量模塊,得到變頻器的模擬量反饋信號。通過變頻器內置的PID功能,實現閉環自動控制。
| 變頻器技術參數 | 設備配置 | |
型號:QD6600-110RG-T4 | 輸出電流:215A | QD6000 變頻器一臺 |
輸入電壓:3相,380-480V | 頻率范圍:0-400Hz | 110KW 冷凍水泵及電機 |
輸入頻率:50/60Hz ±5% | 過載能力:150%,60 秒 | 冷凍水循環系統 |
輸出功率:110KW | 環境溫度:-10-40°C | |
輸出電壓:0-480V(最大值由輸入電壓決定) | 防護等級:IP20 | |

根據現場空間情況,一臺QD6600系列變頻器安裝于控制柜中,變頻器安裝及現場電機如圖所示
采用QD6600變頻器的采暖通風空調控制系統已投入運行三年多,取得了良好的經濟效益和社會效益:
控制裝置運行可靠,具有良好的環境適應能力,能抗擊油污、粉塵及濕熱等惡劣環境,故障率低;
優異電流限幅特性,過載能力強,可有效降低變頻過載、過流保護,最大限度保障生產連續性;
中央空調系統采用變頻閉環控制,動態響應快,自動化程度高,整個系統實現了數字化和智能化控制;
經濟效益顯著,基本節能效果為35%~55%,一年多即可收回采用變頻控制系統增加的全部投資。
PID閉環自動控制,減少工人工作量,提高工作效率;
減少了的電機損耗,降低了維修費用;
變頻器全面的保護功能,最大限度保障生產連續性;
減小水泵的運行噪聲,提高了建筑的舒適性;
經濟效益顯著,一年多即可收回采用變頻控制系統增加的全部投資。



